| Autor | Thema |
|---|---|
|
FabianH
Grand Master of Rocketry
Registriert seit: Okt 2003 Wohnort: Gevelsberg Verein: Ramog, Solaris-RMB, FAR Beiträge: 4123 Status: Offline |
Beitrag 109157
, Weihnachtbeleuchtung
[
So, da ja nun der Atmelkurs schon soweit ist, das man das ein oder andere Projekt angehen kann, habe ich mir mal Gedanken gemacht, was ich denn Weihnachten damit so anfangen könnte. OK, es war ein spontaner Gedanke, quasi so eine Art Eingebung: Ich möchte/werde dieses Jahr die Weihnachtsbeleuchtung einfach mit nem Atmel und einigen Relais als Lichtorgel zweckentfremden
Also eigentlich kann ich doch beim Entwicklerboard an die I/O's die ganz normal herrausgeführt sindeinige Transistoren dranhängen, und dann Relais dahinter. Die Relais zu einer modifiziereten Steckerleiste und dann ganz normal Lichterketten usw. dort einstecken. Das müsste doch soweit gehen, oder sehe ich das falsch? Ich mache gerade mal nen Schaltplan, wie ich mir das genau vorstellen. Mfg Fabian |
|
Stefan Wimmer
Grand Master of Rocketry
Registriert seit: Aug 2000 Wohnort: Berlin Verein: Deutsche Experimental Raketen Arbeitsgruppe (DERA) Beiträge: 2398 Status: Offline |
Beitrag 109161
[
...soweit man das Deiner groben Beschreibung entnehmen kann, müsste das funtionieren. Zeig' mal den Schaltplan. Ach ja: die Freilaufdioden an den Relaisspulen nicht vergessen!
It's the Government - it doesn't have to make sense! (B. Kaplow in r.m.r) |
|
FabianH
Grand Master of Rocketry
Registriert seit: Okt 2003 Wohnort: Gevelsberg Verein: Ramog, Solaris-RMB, FAR Beiträge: 4123 Status: Offline |
Beitrag 109167
[
Freilaufdioden, wegen der hohen spannung die sich da entwickeln kann? Hab in der region leider nicht so die Ahnung, kannst du mir nen Typ dioden sagen, denn bei reichelt gibt es sicherlich nicht nur eine Diode...ich weis nicht, was die abkönnen muss. hier nun mal der schaltplan, als Bild und als EAGLE-File:
MfG Fabian |
|
CharlyMai
Foren-Prediger
Registriert seit: Mär 2005 Wohnort: Fuhrberg Verein: SOLARIS-RMB e.V. (P2;T2) / AGM / TRA#21598 Beiträge: 1980 Status: Offline |
Beitrag 109175
[
1N4001;1N4004; 1N4148 ... irgendwas in Sperrichtung zu Jeder Spule!!!
viele Grüße Pierre •"Der Glaube an eine bestimmte Idee gibt dem Forscher den Rückhalt für seine Arbeit. Ohne diesen Glauben wäre er verloren in einem Meer von Zweifeln und halbgültigen Beweisen." Konrad Zuse •Konstruiere ein System, das selbst ein Irrer anwenden kann, und so wird es auch nur ein Irrer anwenden wollen. SOLARIS-RMB e.V. AGM |
|
Reinhard
Überflieger Registriert seit: Sep 2003 Wohnort: Österreich Verein: TRA #10691, AGM Beiträge: 1187 Status: Offline |
Beitrag 109176
[
Hi Fabian,
du hast Emitter und Kollektor miteinander vertauscht. Vergesse auch nicht auf den Basiswiderstand. Mit der Freilaufdiode kann dann schon (fast) nichts mehr schiefgehen. Noch ein kleiner Tipp, zeichne die Schaltpläne so dass der Strom, der von Plus nach Minus fließt (eigentlich sind es ja negativ geladene Elektronen die von Minus nach Plus fließen, aber das ist nunmal so eine Konvention), bevorzugt von oben nach unten und von links nach rechts fließt. Mit solchen Schleifen wie du sie gezeichnet hast ist der Plan zwar nicht falsch aber auch nicht besonders intuitiv zu lesen. Gruß Reinhard Geändert von Reinhard am 11. Dezember 2006 um 00:49 |
|
Neil
99.9% harmless nerd
Registriert seit: Aug 2000 Wohnort: Delft Verein: SOLARIS Beiträge: 7776 Status: Offline |
Beitrag 109186
[
Hi,
nimm doch Solid State Relais (?). Da hast du keine Spule und somit weniger sorgen. Gruß Neil Die Erde ist eine Scheibe. Egal in welche Richtung sich die Menschheit bewegt, sie geht immer auf einen Abgrund zu. |
|
icepic
SP-Schnüffler Registriert seit: Okt 2003 Wohnort: Schönaich Verein: Solaris-RMB e.V.;TRA #10579 L2;T2 Beiträge: 875 Status: Offline |
Beitrag 109188
[
Hi Fabian,
schön dass Du etwas an das AVR-Board basteln willst. Wenn Du die Transistoren so verschaltest, hast Du nur eine Stromverstärkung und keine Spannungsverstärkung, d.h. du hast an den Relais nur eine Spannung die kleiner ist als die Basisspannung. Also keine 12V wie Du vielleicht erwartest hast. Als Beispiel mal eine Schaltung wie Du sie gezeichnet hast !!(mal von Basisvorwiderstand u. Freilaufdiode abgesehen) Die Spannung an der Spule beträgt bei 5Volt Pulsen nur ca. 4.2V. (siehe Diagramm rote Kurve) Wenn man das Relais dagegen so verschaltet....dann hat man auch annähernd 12V am Relais(Spule) Mist !!! sieht man schlecht...rote Kurve Spannung am Kollektor - grün Spannungspulse an Basis Gruß Uli Geändert von icepic am 11. Dezember 2006 um 15:58 Die Frage ob man den "neusten" PC hat, beantwortet man sich, wenn man links neben der SPACE-Taste schaut !!!! |
|
FabianH
Grand Master of Rocketry
Registriert seit: Okt 2003 Wohnort: Gevelsberg Verein: Ramog, Solaris-RMB, FAR Beiträge: 4123 Status: Offline |
Beitrag 109224
[
Also so in etwa. Freilaufdioden, wenn ich mich durch das 5 mal drehen nun nicht vertan habe simmen auch die Transistoren, und die Spulen vor die T's geschaltet. ich hoffe das der Weihnachtsbaum nun blinken kann
@Neil: Bei basteleien mit Netzgeräten, bleibe ich lieber bei Relais, denn da sehen ich die Trennung der beiden Kreise. Ist mir zum Anfang erstmal lieber. Mfg Fabian Geändert von FabianH am 11. Dezember 2006 um 20:01 |
|
FabianH
Grand Master of Rocketry
Registriert seit: Okt 2003 Wohnort: Gevelsberg Verein: Ramog, Solaris-RMB, FAR Beiträge: 4123 Status: Offline |
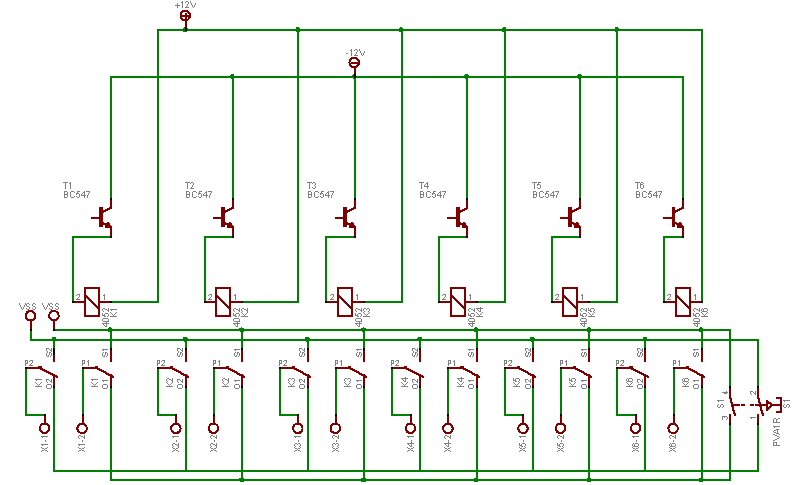
Beitrag 109376
[
Ich wunder mich warum keine Antwort kommt, da merk ich erstmal das ich vergessen habe den schaltlan anzuhängen
so sollte es gehen, oder? Mfg Fabian |
|
Stefan Wimmer
Grand Master of Rocketry
Registriert seit: Aug 2000 Wohnort: Berlin Verein: Deutsche Experimental Raketen Arbeitsgruppe (DERA) Beiträge: 2398 Status: Offline |
Beitrag 109380
[
Nein, Du verwendest immer noch eine Kollektorschaltung (auch Emitterfolger genannt), wo Du besser eine Emitterschaltung verwenden solltest. Siehe http://de.wikipedia.org/wiki/Emitterschaltung
Um beim Emitterfolger den Transistor ganz aufzusteuern bräuchtest Du eine Basisspannung von 12,7V. Wenn Du die aus dem AVR bekommst, hast Du was grundsätzlich falsch gemacht
Geändert von Stefan Wimmer am 13. Dezember 2006 um 21:13 It's the Government - it doesn't have to make sense! (B. Kaplow in r.m.r) |





